星形卸料閥RBC的結構

產品特點及其作用
| 可選配置
| ||
| ? | 口徑從150mm到300mm連續4個型號,對應高度從340mm到 530mm | ? | 葉片可選10葉片,12葉片 |
| ? | 材質為鑄鐵 | ? | 葉輪類型:小圓底轉子,可調、可換轉子 |
| ? | 法蘭鉆孔尺寸標準:GB PN10, ANSI 150#, DIN PN10, JIS10K | ? | 轉子耐磨葉尖可替換 |
| ? | 良好的間隙控制讓閥門具有很高的輸送效率和較少的空氣泄漏量 | ? | 殼體內部電鍍鉻硬化處理,內襯碳化物耐磨層 |
| ? | 標配外置軸承,并有各種不同的軸封形式適用于不同的工作環境 | ? | 軸封根據需要,采用氣封貨密封環 |
| ? | 在不超過250°C的高溫下依然有良好的工作表現 | ? | 殼體排氣孔 |
| ? | 工作壓力不超過1.5bar (21PSI) | ? | 配件:接近開關,排氣倉,氣體吹掃系統 |
| ? | 標配開式8葉片 | ||
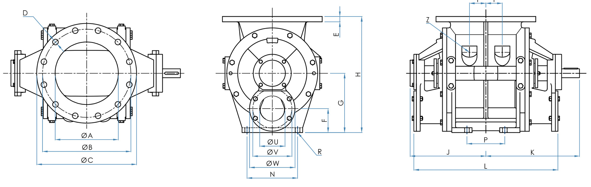
RBC的尺寸

技術參數
型號 | 容積 L/Rev | 進料口/出料口尺寸 | 風送口尺寸 | |||||||||||
? A | ? B DIN | ? C DIN | D DIN | ? B ANSI | ? C ANSI | D ANSI | ? U | ? V | ? W | |||||
RBC 150 | 4 | 150 | 240 | 285 | 8 x ? 22 | 241.3 | 279 | 8 x ? 22.2 | 65 | 100 | 130 | |||
RBC 200 | 10 | 200 | 295 | 340 | 8 x ? 22 | 298.4 | 343 | 8 x ? 22.2 | 80 | 130 | 150 | |||
RBC 250 | 18 | 250 | 350 | 395 | 8 x ? 22 | 361.9 | 406 | 8 x ? 25.4 | 100 | 155 | 180 | |||
RBC 300 | 30 | 300 | 400 | 445 | 8 x ? 22 | 431.8 | 483 | 8 x ? 25.4 | 125 | 180 | 210 | |||
型號 | 其他尺寸 | |||||||||||
E | F | G | H | J | K | L | N | P | R | Y | *Z | |
RBC 150 | 18 | 70 | 170 | 340 | 225 | 275 | 370 | 130 | 100 | 4 x ? 16 | 37.5 | 1" |
RBC 200 | 18 | 80 | 200 | 390 | 255 | 315 | 430 | 160 | 130 | 4 x ? 16 | 55 | 1?" |
RBC 250 | 21 | 95 | 235 | 460 | 300 | 370 | 510 | 200 | 150 | 4 x ? 18 | 65 | 1?" |
RBC 300 | 25 | 110 | 270 | 530 | 340 | 420 | 590 | 240 | 180 | 4 x ? 18 | 85 | 1?" |
*圖形尺寸單位為毫米,廠家保留技術修改的權利 | ||||||||||||
